Соединительные коробки РТВ 402
Предназначены для подключения к силовой сети саморегулирующихся электрических нагреватель- ных кабелей, а также для разветвления саморегу лирующихся нагревательных кабелей.
Коробки поставляются в различной комплектации, в зависимости от варианта крепления к обогреваемому трубопроводу или резервуару: РТВ 402 крепятся на стене здания, металлоконструкции или при помощи кронштейна непосредственно на трубопроводе (кронштейны поставляются отдельно).
Конструкция корпуса обеспечивает защиту от проникновения влаги и пыли IP66 и высокую коррозионную стойкость. Кабельные вводы коробки предназначены для подключения небронированных силовых кабелей диаметром от 7 до 18 мм или бронированных силовых кабелей диаметром от 12 до 20 мм.
Применяемые клеммные наборы позволяют обеспечить подключение многожильных или одножильных проводов сечением от 1,5 до 10 мм2. Для заказов доступны исполнения коробок с винтовы- ми и пружинными клеммными зажимами.
Особенности:- Эффективное решение для подключения питания к электрическим нагревательным кабелям, расположенным под теплоизоляцией обогреваемого объекта
- Применяются для всех типов саморегулирующихся электрических нагревательных кабелей
- Исключает риск повреждения нагревательных кабелей в местах заделки
- Имеет сертификат соответствия для применения Во взрывоопасных зонах
- Основные комплектующие входят в состав поставки. Металлический хомут PFS/3, устройство вводов под теплоизоляцию LEK/U и ввод герметичный гибкий ВГГ заказываются отдельно
- Широкий спектр решаемых задач
- Быстрый и простой монтаж
- Высокая термостойкость
- Не подвергается коррозии

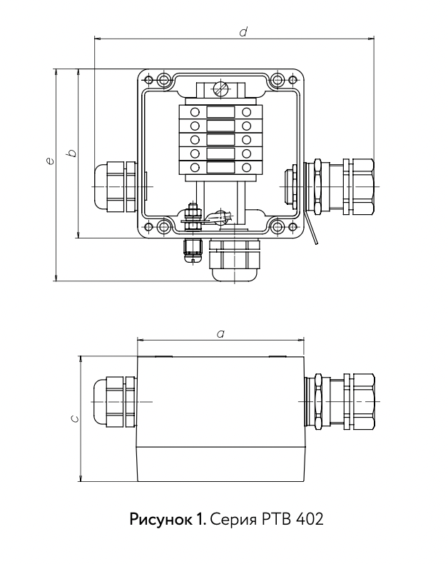
Габаритные размеры
Технические характеристики
|
Климатическое исполнение и категория размещения по ГОСТ 15150-69 |
УХЛ1 |
|
Степень пылевлагозащиты |
IP66 |
|
Маркировка взрывозащиты |
1Ex e IIC T6...T3 Gb X |
|
Рабочий диапазон температур окружающей среды |
-60...+55 °С |
| Рабочее напряжение | до 550 В |
| Рабочий ток | до 50 А |
| Габаритные размеры корпуса | 122x120x91,5 мм |
| Вес коробки в максимальной комплектации |
1,6 кг |
| Материал/цвет корпуса |
Стеклоармированный полиэстер / черный |
Подробности сертификации
№ ЕАЭС RU C-RU.AA87.B.00406/20
