Датчики температуры TC
Датчики температуры TC
Назначение
Датчики температуры ТС представляют собой термосопротивления с платиновым чувствительным элементом. Предназначены для измерения температуры обогреваемой поверхности труб, резервуаров и прочих твердых тел.Используются совместно с регуляторами температуры РТМ-2000 (с коммутацией через РТВ/ИПМ), термостатами электронными ConTrace ETD-Ex, шкафами управления, а также регулирующей аппаратурой, обладающей соответствующими входами для подключения сигналов типа Pt100
.png)
Tехнические характеристики
| ТСПТ | ТСПТ Ex | ТС-1388 | ТС-1288 | |
| Класс оборудования | общепромышленное |
взрывозащищенное 0Ex ia IIC T6 X |
общепромышленное | общепромышленное |
| Тип чувствительного элемента | PT100 | PT100 | PT100 | 100П |
| Диапазон измеряемых температур | -50…+200 ˚C | -50…+180 ˚C | -50…+200 ˚C | -50…+450 ˚C |
| Длина монтажной части | 60 мм | 60 мм | 50 мм | 300 мм |
| Диаметр чувствительного элемента | 5 мм | 5 мм | 6 мм | 6 мм |
| Длина монтажного провода, мм* |
300 1500 3000 5000 10000 |
1500 |
300 1500 5000 10000 |
500 1000 |
| Максимальная удаленность от регистрирующего устройства | до 100 м | до 100 м | до 100 м | до 100 м |
| Код заказа |
Термометр сопротивления ТСПТ-300-050-Pt100- B4-С10-5-60/**** |
Термометр сопротивления ТСПТ-Exi300-050- Pt100-B3-C10-5-60/ 1500 |
Термометр сопротивления ТС- 1388/5/Pt100/ -50..+200C/ 50мм/6/****мм/КММ СЭ/В/N3 |
Термопреобразователь ТС-1288/2/100П/ -50..+450/ ****мм/6/300мм/ КМНЭ/B/-/-/№2/ГП/- (исполнение с перевернутым штуцером) |
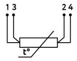
| Схема подключения |
|
|
|
|
* Длина монтажного провода указывается в коде заказа
Монтаж на трубу
Дополнительные изделия (заказываются отдельно)
1. Коробка соединительная для подключения кабелей управления РТВ 403 для ТСПТ, ТС-13882. Коробка соединительная для подключения кабелей управления РТВ 404 для ТСПТ, ТС-1388, ТС-1288
3. Опорный кронштейн
4. Блок измерительно-преобразовательный РТВ/ ИПМ
Подробности сертификации
Общепромышленные датчики не подлежат обязательной сертификации.
№ TC RU C-RU.ГБ08.В.02139
.png)
