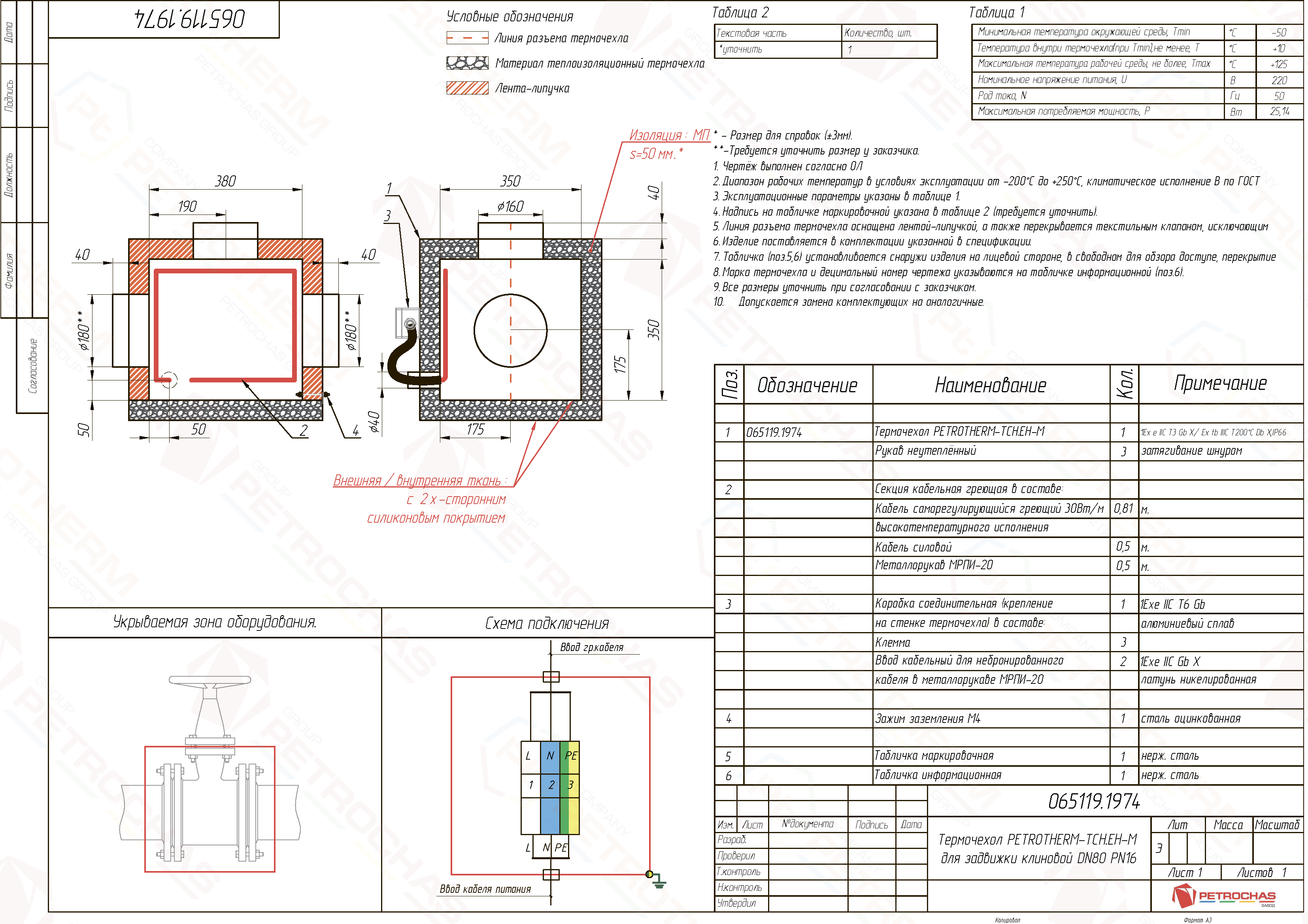
Термочехол PETROTHERM-TCH.EH-M (065119.1974) для задвижки клиновой ДУ 80
Термочехол PETROCHAS / PETROTHERM-TCH.EH-M (065119.1974) среднетемпературного исполнения для задвижки клиновой ДУ 80 с опцией электрообогрева.
Термочехлы PETROCHAS / PETROTHERM (ПЕТРОЧАС / ПЕТРОТЕРМ) - это универсальные, быстросъёмные, готовые к эксплуатации, энергоэффективные теплоизоляционные изделия в виде гибкого кожуха (оболочки), применяемые для защиты от климатических и механических воздействий, теплоизоляции и обогрева Контрольно-измерительных приборов и автоматики (КИПиА), запорно-регулирующей арматуры (ЗРА), клапанов, приводов, участков трубопроводов, фланцев, технологических емкостей и резервуаров, а также широкого спектра технологического оборудования (элементов машин и механизмов, фильтров, насосов, сепараторов, фонтанной арматуры, двигателей и др.).
Термочехлы PETROCHAS / PETROTHERM (ПЕТРОЧАС / ПЕТРОТЕРМ) конструктивно представляют собой гибкие (мягкие) теплоизоляционные и защитные быстросъемные и разборные оболочки из технических тканей и теплоизоляции (утеплителей), укомплектованные необходимым дополнительным оборудованием в зависимости от опций.
Стенки термочехла (оболочки) выполнены по технологии «сэндвич», в виде двух слоев из технической ткани (наружный и внутренний), между которыми расположен теплоизоляционный слой (утеплитель).
Термочехлы PETROCHAS / PETROTHERM (ПЕТРОЧАС / ПЕТРОТЕРМ) устанавливаются на открытых площадках и в помещениях. Защищают от выпадения конденсата, замерзания, физических повреждений, агрессивных химических сред, осадков, грязи, пыли, песка, УФ-излучения.
Монтаж термочехлов осуществляется непосредственно на оборудование после его установки на объекте. Для монтажа термочехлов не требуется наличие опор, кронштейнов или других монтажных элементов.
Термочехлы также используются для защиты персонала от высоких температур оборудования и технологического процесса, шумоизоляции, защиты оборудования от воздействия открытого пламени, предпускового разогрева технологического оборудования, защиты от образования конденсата в системах с низкими температурами технологического процесса и криогеники.
Термочехлы PETROCHAS / PETROTHERM (ПЕТРОЧАС / ПЕТРОТЕРМ) изготавливаются индивидуально под заказ, могут дорабатываться под различные задачи заказчика и комплектоваться различным оборудованием в соответствии с конструкторской документацией производителя. Конструкторский отдел выполняет любые задачи по разработке чертежей изделий на высоком техническом уровне в соответствии с техническими требованиями заказчика.
Среднетемпературные термочехлы PETROCHAS / PETROTHERM (ПЕТРОЧАС / ПЕТРОТЕРМ) разработаны специально для российских климатических условий. Термочехолы PETROCHAS / PETROTHERM TCH-М предназначены для работы в диапазоне температур от -200°С до +400°С.|
Технические характеристики термочехла |
|
| Исполнение | Взрывозащищенное |
| Минимальная температура эксплуатации (С°) | -200 |
| Максимальная температура эксплуатации (С°) | +250 |
| Материал внутренней ткани | Стеклоткань с 2х-сторонним силиконовым покрытием |
| Материал внешней ткани | Стеклоткань с 2х-сторонним силиконовым покрытием |
| Материал теплоизоляции | Мат прошивной базальтовый МП-80 |
| Толщина теплоизоляции | 50мм |
| Класс изделия | BASIC |
| Параметры обогрева термочехла: | |
| Тип обогревателя | Саморегулирующийся греющий кабель |
| Температура поддержания внутри чехла (С°) | +10 |
| Максимальная потребляемая мощность (Вт) | 25,1 |
| Номинальное напряжение питания (В) | 230 |
| Частота тока (Гц) | 50 |
| Тип терморегулятора | нет |
